Image

Датчики перепада давления DVL

Датчики перепада давления DVL с выходом SPDT типа «сухой контакт» предназначены для мониторинга и контроля разницы давления воздуха и используются для автоматического включения или отключения оборудования при достижении заданного перепада давления: засорения фильтров, работы вентиляторов, определение наличия воздушного потока.

При превышении или снижении установленного уровня перепада давления датчик замыкает или размыкает контакты, передавая управляющий сигнал автоматизации.

Технические характеристики:

Датчики перепада давления DVL-500

Температурный диапазон -40 ...+85 °С
Эксплуатация (корпус) -40 ...+85 °С
Рабочая среда воздух, не агрессивные газы
Диапазон измерений от 50 до 500 Па
Максимальное давление 10000 Па
Погрешность срабатывания 15%
Дифференциал 20 Па
Регулировка уставки рукоятка
Подведение давления встроенные штуцеры d=6 мм
Контактная нагрузка 1(0.4) А, 250 В АС
Контактная группа SPDT (перекидной контакт)
Защита корпуса IP65

Датчики перепада давления DVL-200 и DVL-1000

Температурный диапазон -40 ...+85 °С
Эксплуатация (корпус) -20...+85 °С, < 80% RH (при +25 °С)
Рабочая среда воздух, не агрессивные газы
Материал корпуса, крышки промышленный пластик, полистирол
Размеры корпуса 85х85х57 мм
Материал мембраны промышленный силикон
Диапазон измерений DVL-200: от 20 до 200 Па
DVL-1000: от 100 до 1000 Па
Максимальное давление 5000 Па
Точность срабатывания 10-15% ВПИ
Дифференциал постоянный 10...20% ВПИ
Повторяемость характеристик ±3% ВПИ
Сброс автоматически
Регулировка уставки рукоятка
Подведение давления встроенные штуцеры d=6 мм
Контактная нагрузка 1.5(0.3) А, 230 В АС
Контактная группа SPDT (перекидной контакт)
Монтаж вертикально, штуцерами dybp
Защита корпуса IP54

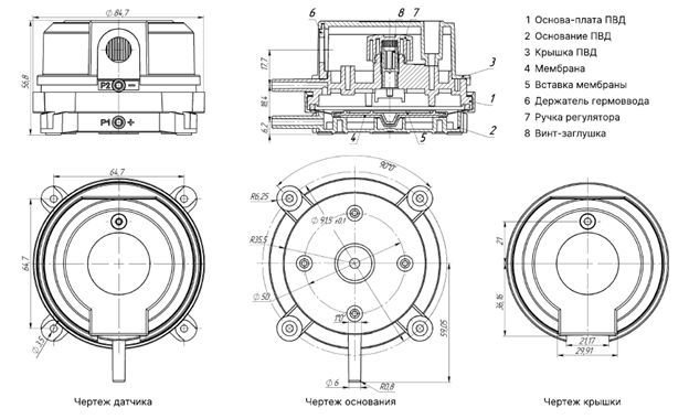
Габаритный чертеж:

Датчики перепада давления DVL-200 и DVL-1000

Image

 

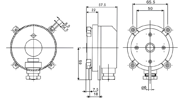
Датчики перепада давления DVL-500

Image

Схема для подключения и подключение к потоку:

Image

VILMANN — НАДЕЖНАЯ АВТОМАТИКА ДЛЯ СИСТЕМ КЛИМАТА